在有线局域网中,服务器、路由器、集线器、计算机等设备之间都是通过非屏蔽双绞线(Unshielded Twisted Paired,UTP)来连接的,但是由于这些设备可能会被安装在不同大楼,最远距离可达100m,如果此时将处在两地的电子设备直接连接会带来较多问题。
参考地电平不同:过长的网线会导致网线两端设备的地电位不同,形成频率极低的缓变电压,缓变电压将直接加在两端(两地)设备的PHY芯片上,从而导致PHY芯片被烧坏。
电磁抗干扰能力差:近百米的网线相当于一根很长的天线,外界的电磁干扰(包括数千伏的雷电干扰)会通过网线进入网卡,可能会使传送的数据信号产生误码,严重时甚至击穿PHY芯片。
对外辐射强:服务器等设备内部的开关电源、时钟信号发生器等产生的电磁辐射会通过网线向周围空间发射,形成对其他设备的干扰。
阻抗不匹配:电缆和双绞线的特性阻抗都是固定的,为了保证信号完整性(SI),需要信号源内阻、负载电阻和双绞线的特性阻抗三者实现阻抗匹配,否则网线两端将因阻抗失配产生反射,可能会使被传送的数据信号产生误码。
为了解决上述问题,需要在UTP和PHY芯片之间引入一个器件,用于信号耦合、高压隔离、阻抗匹配、电磁干扰抑制等,这个器件就是网络变压器。
网络变压器基础三大件为:T件(Transformer,变压器)、K件(Common mode Choke,共模扼流圈)、A件(Center Tapped Auto-Transformer,中心抽头自耦变压器);根据组合方式不同,网络变压器又分为:单T件网络变压器、T件+K件网络变压器、T件+三线穿环K件网络变压器和T件+K件+A件网络变压器。
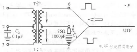
单T件网络变压器
顾名思义,单T件网络变压器就是由一个1:1的变压器组成。根据变压器电磁耦合的原理,当平衡信号作用于双绞线(UTP)上时,变压器初级上可以无损地感应出同等大小的信号,从而实现信号的传输。

单T件网络变压器信号传输示意图(图源:书籍《网络变压器》)
另外网络变压器还可以阻断EMI在其初级-次级线圈之间互相传播。
当EMI作用于双绞线(UTP)上时,由于双绞线的特点,Pin6和Pin4上EMI电压的波形可以认为完全相同,所以它们在次级上、下两个线圈中引起的电流大小相等、方向相反,因此两电流在磁环内引起的磁通变化互相抵消;磁通变化为零,意味着次级上、下两个线圈对EMI信号呈现的感抗为零,所以EMI信号可以无损地通过线圈到中间抽头,再经过R1、C1串联电路泄放到地线。
同理,来自设备内部的EMI信号也会通过初级线圈的中间抽头和C2泄放到地线,从而减少了设备通过UTP对外发射地EMI幅度。

单T件网络变压器EMI传输示意图(图源:书籍《网络变压器》)
T件+K件网络变压器
因为非理想变压器存在寄生电容,EMI信号会有部分通过寄生电容耦合到变压器的初级端;所以为了进一步阻断EMI在初级-次级线圈之间互相传播,可以在单T件网络变压器的基础上,再在变压器的初级端或次级端串联一个K件(Common mode Choke,共模扼流圈),这就是T件+K件网络变压器。
当平衡信号通过K件时,K件上、下两个线圈中的电流大小相等、方向相反,即两电流在K件磁环内引起的磁通变化互相抵消;意味着K件对平衡数据信号呈现的感抗为零,所以数据信号可以无损地在K件中传输。

T件+K件网络变压器信号传输示意图(图源:书籍《网络变压器》)
当EMI信号通过K件时,K件上、下两个线圈中的电流大小相等、方向相同,即两电流在K件磁环内引起的磁通变化相互叠加,意味着K件对EMI信号呈现一定的感抗,所以EMI信号通过K件时会产生较大的衰减。K件对EMI信号呈现的感抗大小为:
=2πfL
式中:
f为EMI信号的频率;
L为K件的感值(约为10uH)。

T件+K件网络变压器EMI传输示意图(图源:书籍《网络变压器》)
K件放置于线路侧虽然可以较好的抑制EMI干扰,但是由于增加了共模电感的阻抗,会影响到变压器中心抽头的75R端接效果,所以对于电压型的PHY,一般选用共模电感在PHY侧的网络变压器;另外,若使用POE,共模电感在线路侧会因为POE的供电电流而导致磁饱和,使得共模抑制效果大大降低,所以POE场景也不能使用共模电感在线路侧的变压器。
但是对于电流型的PHY,则不能将共模电感放置在PHY侧。当正常数据信号的瞬时电流通过其中一个线圈或者两个线圈时,K件磁环内部磁通变化不为零,意味着K件会对正常信号产生一个高阻抗,从而影响正常信号的传输。

电流型PHY在T件+K件网络变压器中的信号传输示意图
T件+三线穿环K件网络变压器
对于电流型的PHY芯片,K件放置于PHY侧会影响信号传输,而K件放置于UTP侧又会影响中心抽头的阻抗匹配,所以为了解决该问题,设计师设计出T件+三线穿环K件网络变压器,这种网络变压器的K件是由三根引线一起并行在磁环上穿绕同样匝数而得到的。

T件+三线穿环K件网络变压器(图源:书籍《网络变压器》)
当T件+三线穿环K件网络变压器应用于电流型PHY场景时,正常数据信号的瞬时电流从Vcc端流出,经过中间的线圈后再通过上、下两个线圈进入PHY芯片中,但三线穿环K件中的总电流总是为零,即总磁通变化也为零,所以数据信号可以无损地在三线穿环K件中传输。

电流型PHY在T件+三线穿环K件网络变压器中的信号传输示意图
三线穿环K件的缺点就是EMI信号也可以无损通过。当共模EMI电流通过三线穿环K件时,同理,三线穿环K件上、中、下三个线圈中的总磁通变化为零,所以无法对EMI信号起到衰减作用。
T件+K件+A件网络变压器
既想将K件放置于UTP侧,又不想影响阻抗匹配,这时就可以在K件和UTP之间再增加一个自耦变压器,这样就形成了T件+K件+A件网络变压器。

T件+K件+A件网络变压器(图源:书籍《网络变压器》)
当平衡数据信号经过自耦变压器上、下两个线圈时,其电流方向相同,即两电流在A件磁环内引起的磁通变化互相叠加;意味着A件对数据信号呈现的感抗很大,不会影响正常数据的传输。

T件+K件+A件网络变压器信号传输示意图(图源:书籍《网络变压器》)
而EMI信号经过自耦变压器上、下两个线圈时,其电流大小相等,方向相反,所以它们在A件磁环内部引起的磁通变化互相抵消,意味着A件对EMI信号呈现的感抗为零,可用两根短导线代替其上、下两个线圈,所以EMI信号将通过中心抽头、R1-C1串联电路泄放到地线上,从而降低了UTP传送到网卡上的EMI幅度(A件泄放EMI的原理与T件次级线圈相同)。

T件+K件+A件网络变压器EMI传输示意图
注意:网络变压器中的K件和A件虽然都能阻断EMI在UTP与网卡之间互相传播,但是它们对数据电压信号也有一定的负面作用,因为K件和A件都具有寄生和分布参数。例如,K件和A件各自两个线圈之间都有线间电容,这些电容都是并联在Ping6-Pin4两端点的,在网络变压器输出或输入端并联电容,必定会压缩其高频端的频带。网络变压器的频带变窄,将使数据信号的上升沿和下降沿变慢,最终导致传送速率降低。 因此,在网络变压器中安排一个K件和一个A件,或者在其T件初级侧、次级侧各安排一个K件就足够了,如果再增加K件或A件的数目,不仅增加生产成本,还会降低数据传输的速率。 由于T件次级线圈起到A件的作用,所以目前市面上大多数网络变压器是由T件和K件组成的。
声明:文章摘自知乎公众号(龙猫讲电子), 于2023-08-03 12:22发布的文章。
文章、图片等版权归原作者享有,如有侵权,联系删除。
联系电话:13600175244



